

The Spirax Sarco TVA flowmeter is a wafer-pattern steam flowmeter for saturated steam service and, with the dedicated pressure sensing kit and high-pressure U syphon, superheated steam service. It provides density compensated mass flow output, totalised flow indication, and optional RS232 / RS485 communications in DN50, DN80, and DN100 sizes.

The Spirax Sarco TVA flowmeter is designed for steam mass flow measurement using the target principle. Flow acting on the internal cone generates a force that is converted into a density compensated mass flowrate. The unit provides loop-powered 4-20 mA output, pulsed output, totalised flow indication, and Modbus communications.
It is intended for saturated steam service as standard. For superheated steam service, the flowmeter is used together with a dedicated pressure sensing kit and high-pressure U syphon assembly.
The TVA flowmeter is available in three nominal sizes:
| Size |
|---|
| DN50 |
| DN80 |
| DN100 |
The wafer body is suitable for installation between the following flange standards:
| Standard | Rating |
|---|---|
| EN 1092 | PN16, PN25, PN40 |
| BS 10 | Table H |
| ASME B16.5 | Class 150, Class 300 |
| JIS | 20 |
| KS | 20 |
The flowmeter should be installed in pipework manufactured to BS 1600, ASME B36.10 Schedule 40, or EN 10216-2 / EN 10216-5 equivalent. For other pipe schedules, Spirax Sarco recommends checking suitability before installation.

| Item | Value |
|---|---|
| Maximum design pressure | 32 bar g @ 239 degC |
| Maximum design temperature | 239 degC |
| Minimum design temperature | 0 degC, non-freezing |
| Maximum operating pressure, superheated steam, horizontal flow | 23 bar g @ 239 degC |
| Maximum operating pressure, saturated steam | 32 bar g @ 239 degC |
| Maximum operating pressure, vertical flow | 7 bar g @ 170 degC, saturated steam only |
| Minimum operating pressure | 0.6 bar g |
| Maximum operating temperature, saturated steam | 239 degC |
| Minimum operating temperature | 0 degC, non-freezing |
| Maximum electronics ambient temperature | 55 degC |
| Maximum electronics humidity | 90% RH, non-condensing |
| Cold hydraulic test pressure | 52 bar g |
The product must not be used in the software-limited region shown on the pressure / temperature graph.
| Item | Value |
|---|---|
| High-pressure U syphon maximum design pressure | 80 bar g |
| High-pressure U syphon maximum design temperature | 450 degC |
| High-pressure U syphon maximum working condition | 60 bar g @ 450 degC |
| Pressure sensing kit maximum operating temperature | 125 degC |
| Pressure sensing kit minimum operating temperature | 0 degC, non-freezing |
| Pressure sensing kit maximum operating pressure | 50 bar g |
| Pressure sensing kit maximum ambient temperature, cable and connector | 70 degC |
* The pressure sensing kit and high-pressure U syphon are required for superheated steam service.
| Unit | Part | Material |
|---|---|---|
| TVA flowmeter | Flowmeter body | Stainless steel S.316 / 1.4408 / CF8M |
| TVA flowmeter | Internals | 431 S29 / S303 / S304 / S316 |
| TVA flowmeter | Spring | Inconel X750 or equivalent |
| TVA flowmeter | Flowmeter stem | Stainless steel 300 series |
| TVA flowmeter | Electronics housing | Aluminium LM25 |
| Pressure sensing kit | Cable | Polyvinyl chloride, PVC |
| Pressure sensing kit | Sensor housing | AISI 304 stainless steel 1.4301 |
| Pressure sensing kit | Sensor | AISI 630 stainless steel 1.4542 |
| Pressure sensing kit | O-ring | Nitrile butadiene rubber, NBR |
| Pressure sensing kit | Adaptor | AISI 431 stainless steel 1.4057 |
| High-pressure U syphon assembly | Tube | Carbon steel BS 3602 Part 1 1987 CFS 360, zinc plated and passivated |
| High-pressure U syphon assembly | Valve body | Carbon steel |
| High-pressure U syphon assembly | Valve seat | PEEK / Polymain |
| Item | Value |
|---|---|
| IP rating | IP65 with correct cable glands |
| Power supply | Loop powered |
| Power supply with optional RS485 | 24 VDC |
| Outputs | 4-20 mA, not available with RS485 option |
| Outputs | Pulsed output, Vmax 28 Vdc, Rmin 10 kOhm |
| Communication | Modbus EIA 232C, RS232C |
| Communication with optional RS485 | EIA 485, RS485C |
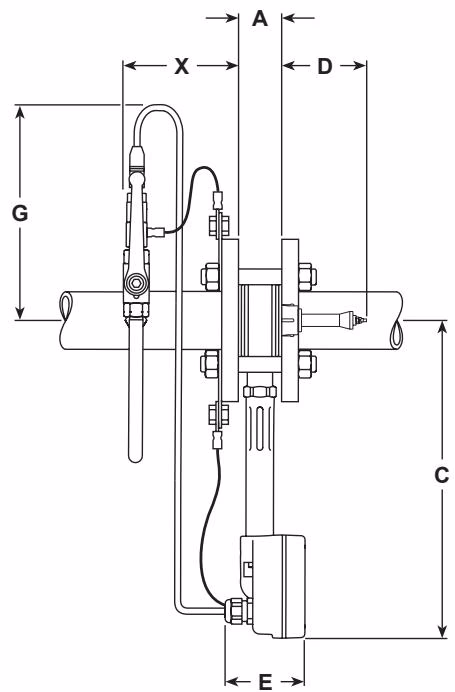
Dimension X is the recommended minimum distance between the pressure tapping and the flowmeter. It may be increased provided the cable length allows. Standard cable length is 1 m.

| Size | A mm | Flowmeter OD mm | C mm | D mm | E mm | F mm | G mm | X mm | TVA kg | Superheat kit kg | U syphon kg |
|---|---|---|---|---|---|---|---|---|---|---|---|
| DN50 | 35 | 103 | 322 | 125 | 65 | 250 | 160 | 300 | 2.67 | 0.3 | 0.5 |
| DN80 | 45 | 138 | 334 | 115 | 65 | 270 | 160 | 300 | 4.38 | 0.3 | 0.5 |
| DN100 | 60 | 162 | 344 | 155 | 65 | 280 | 160 | 300 | 7.28 | 0.3 | 0.5 |
The TVA has integral electronics and an LCD display in the electronics head. The M750 display unit can be used for remote indication via the 4-20 mA output.
System uncertainty, to 95% confidence, 2 STD, in accordance with ISO 17025:
Pressure drop across the TVA at maximum rated flow:

| Flowmeter type | Maximum Qe litres/min | Minimum Qe litres/min | Maximum DP Wg | Maximum DP mbar |
|---|---|---|---|---|
| DN50 | 300 | 3 | 300 | 750 |
| DN80 | 770 | 8 | 200 | 498 |
| DN100 | 1200 | 12 | 200 | 498 |
| Size | Duty | 1 bar g | 3 bar g | 5 bar g | 7 bar g | 10 bar g | 12 bar g | 15 bar g | 20 bar g | 25 bar g | 30 bar g | 32 bar g | Unit |
|---|---|---|---|---|---|---|---|---|---|---|---|---|---|
| DN50 | Max. flow | 619 | 859 | 1042 | 1196 | 1395 | 1513 | 1676 | 1918 | 2135 | 2335 | 2409 | kg/h |
| DN50 | Min. flow | 12 | 17 | 21 | 24 | 28 | 30 | 33 | 38 | 43 | 47 | 60 | kg/h |
| DN80 | Max. flow | 1588 | 2204 | 2674 | 3070 | 3581 | 3885 | 4301 | 4922 | 5480 | 5994 | 6183 | kg/h |
| DN80 | Min. flow | 32 | 44 | 53 | 61 | 72 | 78 | 86 | 98 | 110 | 120 | 128 | kg/h |
| DN100 | Max. flow | 2475 | 3435 | 4167 | 4784 | 5581 | 6054 | 6703 | 7671 | 8540 | 9341 | 9637 | kg/h |
| DN100 | Min. flow | 49 | 69 | 83 | 96 | 112 | 121 | 134 | 153 | 171 | 187 | 192 | kg/h |
Notes:
For full details, refer to the installation and maintenance instructions supplied with the product. Main points:
Additional installation points from the essential guide:

Available accessories and service items listed in the product literature include:
Typical ordering descriptions in the literature are:
Explore similar products in our catalog