

Spirax Sarco FT14 SG iron ball float steam trap with stainless steel internals and integral automatic air vent. Available in 1/2" to 1" screwed connections, PN16 rating. Maximum operating pressure up to 14 bar g. Supports in-line maintenance and offers horizontal (R-L/L-R) and vertical (FT14V) flow options.

The FT14 is an SG iron bodied ball float steam trap featuring stainless steel working internals and an integral automatic air venting facility. Designed for light industrial and small process applications, the FT14 allows for in-line maintenance without disturbing the pipework. Its unique ball float and lever mechanism ensures a smooth, continuous discharge of condensate even under fluctuating loads.
Key Features
Sizes: 1/2" (DN15), 3/4" (DN20), and 1" (DN25)
| Parameter | Value |
|---|---|
| Body design conditions | PN16 |
| PMA (Maximum allowable pressure) | 16 bar g @ 100 °C |
| TMA (Maximum allowable temperature) | 250 °C @ 13 bar g |
| Minimum allowable temperature | -10 °C |
| PMO (Maximum operating pressure) | 14 bar g |
| TMO (Maximum operating temperature) | 250 °C @ 13 bar g |
| Minimum operating temperature | 0 °C |
ΔPMX (Maximum Differential Pressure):
Maximum cold hydraulic test pressure: 24 bar gNote: Product is safe for use under full vacuum conditions.


| No. | Part | Material | Standard |
|---|---|---|---|
| 1* | Body | SG iron | EN 1563 EN-GJS-400-15 |
| 2 | Cover bolts | Steel | BS 3692 Gr.8.8 |
| 3 | Cover gasket | Reinforced exfoliated graphite | - |
| 4 | Cover | SG iron | EN 1563 EN-GJS-400-15 |
| 5 | Valve seat | Stainless steel | BS 970 431 S29 |
| 6 | Valve seat gasket | Stainless steel | BS 1449 409 S19 |
| 7 | Pivot frame assembly screws | Stainless steel | BS 6105 CIA2-70 |
| 8 | Ball float and lever | Stainless steel | BS 1449 304 S16 |
| 10 | Pivot frame | Stainless steel | BS 1449 304 S16 |
| 11 | Pivot pin | Stainless steel | - |
| 12* | Erosion deflector (1" only) | Stainless steel | BS 970 431 S29 |
| 17 | Air vent assembly | Stainless steel | - |
| 18 | Air vent gasket | Stainless steel | BS 1449 409 S19 |
| 19 | SLR assembly | Stainless steel | BS 970 303 S21 |
| 20 | SLR gasket | Stainless steel | BS 1449 304 S16 |
| 21 | SLR seal | Graphite | - |
| 28 | Valve spring (1" only) | Stainless steel | BS 2056 302 S26 |
Note: Item 15 is fitted to Item 1 (1" only).
Capacities shown below are based on condensate at saturation temperature. The internal thermostatic air vent automatically opens during start-up or heavy loads to provide additional capacity.
Cold Water Additional Capacity:
| Size | 0.5 bar | 1 bar | 2 bar | 3 bar | 4.5 bar | 7 bar | 10 bar | 14 bar |
|---|---|---|---|---|---|---|---|---|
| 1/2" & 3/4" | 70 kg/h | 140 kg/h | 250 kg/h | 380 kg/h | 560 kg/h | 870 kg/h | 1130 kg/h | 1500 kg/h |
| 1" | 120 kg/h | 240 kg/h | 360 kg/h | 500 kg/h | 640 kg/h | 920 kg/h | 1220 kg/h | 1500 kg/h |

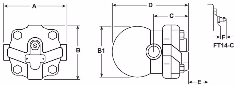
| Size | A | B | B1 | C | D | E (Withdrawal) | F | Weight |
|---|---|---|---|---|---|---|---|---|
| 1/2" | 121 | 107 | 96 | 67 | 147 | 105 | 30 | 2.9 |
| 3/4" | 121 | 107 | 96 | 67 | 147 | 105 | 30 | 2.9 |
| 1" | 145 | 107 | 117 | 75 | 166 | 110 | 23 | 4.0 |

The spare parts available are shown in solid outline. Parts drawn in a grey line are not supplied as spares.
Available Spares:
How to Order Spares: Always order spares by using the description given in the column headed 'Available spares' and state the size, type of trap, and pressure range. Example: 1 - Main valve assembly for a Spirax Sarco 1/2" FT14-10 ball float steam trap.

| Item | Size / A/F | Thread | Torque (Nm) |
|---|---|---|---|
| 2 | 17 A/F | M10 x 30 | 47 - 50 |
| 5 | 17 A/F | - | 50 - 55 |
| 7 | Pozidrive | M4 x 6 | 2.5 - 3.0 |
| 17 | 17 A/F | - | 50 - 55 |
| 19, 21 | 19 A/F | - | 50 - 55 |
For full details see the Installation and Maintenance Instructions (IM-S02-13) supplied with the product. Installation Note: Install with the flow direction as indicated on the body. Ensure the float arm is horizontal so that it rises and falls vertically.
This product is recyclable. No ecological hazard is anticipated with the disposal of this product providing due care is taken.
Example: 1 off Spirax Sarco 1/2" FT14-4.5 (R-L) ball float steam trap with screwed BSP T Rp (ISO 7-1) connections and integral air vent.
Explore similar products in our catalog