

Spirax Sarco HM34 carbon steel inverted bucket steam trap with internal strainer. Available in ½", ¾" and 1" screwed BSP/NPT or DN25 socket weld connections. DN15-DN25 flanged connections available. Maximum pressure 32 bar g, maximum temperature 300°C.

The HM34 is an inverted bucket steam trap manufactured in carbon steel with an internal strainer fitted as standard. It is designed for use on horizontal installations and will operate on steam pressures up to 32 bar g.
Product Features
½", ¾" and 1" screwed BSP T Rp (ISO 7-1) or NPT.DN25 socket weld ends BS 3799 Class 3000.DN15, DN20 and DN25 standard flange EN 1092 PN40.Available on request: Flanged Class 150 and Class 300 connections.

The product must not be used in the shaded region.
| Parameter | Value |
|---|---|
| Body Design Conditions | PN40 |
| Maximum Allowable Pressure (PMA) | 40 bar g @ 120 °C |
| Maximum Allowable Temperature (TMA) | 300 °C |
| Minimum Allowable Temperature | -10 °C |
| Maximum Operating Pressure (PMO) | 32 bar g (saturated steam) |
| Maximum Operating Temperature (TMO) | 300 °C |
| Minimum Operating Temperature | 0 °C |
Maximum Differential Pressure (ΔPMX):
| Size | 4 bar | 8.5 bar | 12 bar | 20 bar | 32 bar |
|---|---|---|---|---|---|
| DN15 - ½" | HM34/8 | HM34/7 | HM34/6 | HM34/5 | HM34/4 |
| DN20 - ¾" | HM34/10 | HM34/8 | HM34/7 | HM34/6 | HM34/5 |
| DN25 - 1" | HM34/12 | HM34/10 | HM34/8 | HM34/6 | HM34/5 |


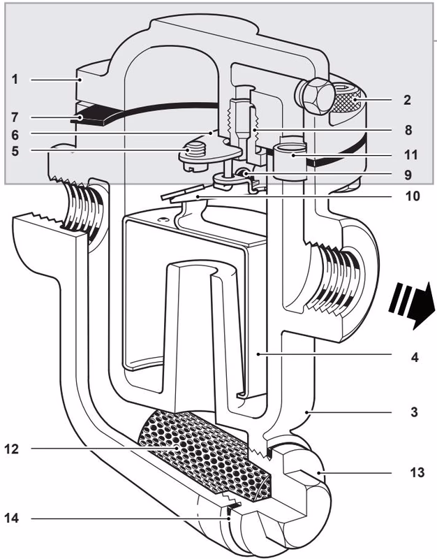
| No. | Part | Size / Note | Material | Standard |
|---|---|---|---|---|
| 1 | Cover | ½", ¾" | Forged steel | 1.0460 (C22.8) |
| 1 | Cover | 1" | Cast steel | 1.0619 +N |
| 2 | Cover screws | ½", ¾" | Steel | BS 4168 Gr. 8.8 |
| 2 | Cover bolts | 1" | Steel | BS 3692 Gr. 8.8 |
| 2 | Cover nuts | ½" to 1" | Steel | BS 3692 Gr. 8.8 |
| 3 | Body | - | Cast steel | 1.0619 +N |
| 4 | Bucket | - | Stainless steel | BS 1449 304 S31 |
| 5 | Valve guide plate screw | - | Stainless steel M4.5 × 10 | BS 4183 18/8 |
| 6 | Valve guide plate | - | Stainless steel | BS 1449 304 S11 |
| 7 | Cover gasket | - | Reinforced exfoliated graphite | - |
| 8 | Valve seat | - | Stainless steel | AISI 431 |
| 9 | Valve | - | Stainless steel | AISI 440B |
| 10 | Valve lever | - | Stainless steel | BS 1449 321 S31 |
| 11 | Ferrule | ½", ¾" | Stainless steel | BS 970 321 S31 |
| 11 | Ferrule | 1" | Stainless steel | BS 3605 (CFS) 304 S14 |
| 12 | Strainer screen | - | Stainless steel | ASTM A240 316L |
| 13 | Strainer cap | - | Steel | 1.0460 (C22.8) |
| 14 | Strainer gasket | - | Reinforced exfoliated graphite | - |
Important Selection Criteria
Traps should be selected for the most appropriate working pressure differential and not on the basis of load.
Example: DN25 HM34 with a load of 80 kg/h (176.3 lbs) at 7 bar (101.5 psi) differential should be handled by an HM34/10 and not an HM34/5.

| Size | A | B | C | F | G | H | J | Weight |
|---|---|---|---|---|---|---|---|---|
| ½" | 120 (4.72) | 105 (4.13) | 100 (3.94) | 67 (2.64) | 89 (3.50) | 65 (2.56) | M28 | 2.6 kg (5.7 lbs) |
| ¾" | 120 (4.72) | 105 (4.13) | - (3.94) | 88 (3.46) | 107 (4.21) | 65 (2.56) | M28 | 4.0 kg (8.8 lbs) |
| 1" | 180 (7.09) | 160 (6.30) | 160 (6.30) | 145 (5.71) | 120 (4.72) | 85 (3.35) | M32 | 10.4 kg (22.9 lbs) |
| Size | A1 | B | C | F | G | H | J | Weight |
|---|---|---|---|---|---|---|---|---|
| DN15 | 210 (8.27) | 105 (4.13) | 100 (3.94) | 67 (2.64) | 89 (3.50) | 65 (2.56) | M28 | 4.5 kg (9.9 lbs) |
| DN20 | 210 (8.27) | 105 (4.13) | - (3.94) | 88 (3.46) | 107 (4.21) | 65 (2.56) | M28 | 7.0 kg (15 lbs) |
| DN25 | 230 (9.06) | 160 (6.30) | 160 (6.30) | 145 (5.71) | 120 (4.72) | 85 (3.35) | M32 | 12.0 kg (26.5 lbs) |
The spare parts available are shown in heavy outline. Parts shown in a grey line are not supplied as spares.
Available spares:
How to order spares: Always order spare parts by using the description given in the column headed "Available spares" and state the size, type of trap and pressure range.
Example: 1 off Valve and seat assembly for a Spirax Sarco DN25 HM34/7 inverted bucket steam trap.

| Item | Size | Across Flats | Thread Size | Torque (N m) |
|---|---|---|---|---|
| 2 | ½", ¾" | - | M8 × 30 | 25 - 28 |
| 2 | 1" | - | M12 × 45 | 25 - 28 |
| 8 | ½", ¾" | 13 | - | 50 - 55 |
| 8 | 1" | 17 | - | 80 - 88 |
| 13 | ½", ¾" | 22 | M28 | 90 - 100 |
| 13 | 1" | 27 | M32 | 125 - 145 |
For full details see the Installation and Maintenance Instructions (IM-S03-11) supplied with the product.
Installation note: The trap must be installed with the body upright so that the bucket is rising and falling vertically. The inlet and outlet connections should be in a horizontal plane, with the trap installed below the drain point so that a water seal can be maintained around the open end of the bucket.
This product is recyclable. No ecological hazard is anticipated with the disposal of this product providing due care is taken.
Example: 1 off Spirax Sarco ½" HM34/8 inverted bucket steam trap with screwed BSP T Rp (ISO 7-1) connections.
Explore similar products in our catalog





