

Spirax Sarco FT14 and FT14HC are SG iron bodied ball float steam traps with stainless steel internals. Available in sizes 1" to 2", they feature an integral automatic air vent and are designed for high-capacity condensate drainage in steam systems.

The FT14 and FT14HC are iron-bodied ball float steam traps having stainless steel working internals and an integral automatic air venting facility. These traps are supplied with horizontal screwed connections only and can be maintained without disturbing the pipework.
The FT14HC (High Capacity) is specifically available in 1" size for applications requiring higher condensate discharge rates than the standard FT14 series.
Key Features
Available sizes:
Standard connections: Screwed BSP T Rp (ISO 7-1) or NPT.
| Size | 1" HC and 1¼" | 1½" and 2" |
|---|---|---|
| Body design conditions | PN25 | PN16 |
| PMA - Max. allowable pressure | 25 bar g @ 100 °C | 16 bar g @ 100 °C |
| TMA - Max. allowable temperature | 300 °C @ 18 bar g | 220 °C @ 13.5 bar g |
| PMO - Max. operating pressure | 21 bar g | 14 bar g |
| TMO - Max. operating temperature | 275 °C @ 19 bar g | 220 °C @ 13.5 bar g |
| ΔPMX - Max. differential pressure | 4.5, 10, or 14 bar | 4.5, 10, or 14 bar |

| No. | Part | Material | Standard |
|---|---|---|---|
| 1 | Body (1", 1¼") | SG Iron | BS EN 1563 JS 1030 |
| Body (1½", 2") | Cast Iron | DIN 1691 GG 25 | |
| 4 | Cover (1", 1¼") | SG Iron | BS EN 1563 JS 1030 |
| Cover (1½", 2") | Cast Iron | DIN 1961 GG 25 | |
| 5 | Valve seat | Stainless steel | BS 970 431 S29 |
| 8 | Ball float and lever | Stainless steel | BS 1449 304 S16 |
| 17 | Air vent assembly | Stainless steel |


The capacity charts illustrate the condensate discharge capacity at different differential pressures.

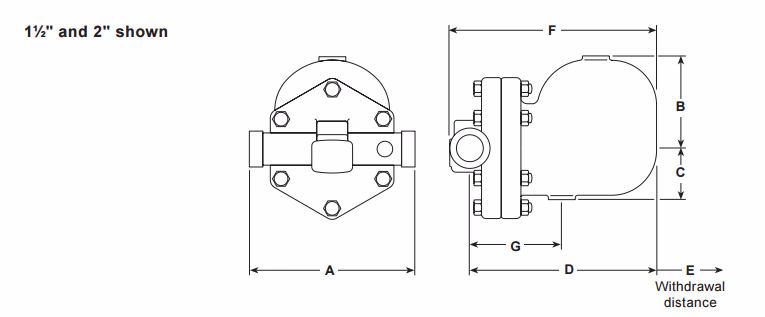
| Size | A | B | C | D | E | F | G | Weight (kg) |
|---|---|---|---|---|---|---|---|---|
| 1" HC | 120 | 110 | 80 | 195 | 160 | 220 | 115 | 6.8 |
| 1¼" | 120 | 110 | 80 | 195 | 160 | 220 | 115 | 6.9 |
| 1½" | 270 | 130 | 108 | 248 | 200 | 270 | 115 | 17.5 |
| 2" | 300 | 138 | 125 | 250 | 200 | 288 | 140 | 22.0 |
(Dimensions in mm)


Available spares include:
Example: 1 off Spirax Sarco 1" screwed BSP T Rp (ISO 7-1) FT14HC-14 ball float steam trap having an SG iron body and cover, with thermostatic air vent - flow direction left-to-right.
Explore similar products in our catalog