

Spirax Sarco FTGS14 is an austenitic stainless steel ball float steam trap with integral automatic air venting. Designed for screwed connections (1/2" to 1"), it offers high resistance to erosion and easy maintenance without disturbing pipework.

The FTGS14 is a ball float steam trap featuring an austenitic stainless steel body and stainless steel internals. It includes an integral automatic air venting facility via the BP99/32 capsule. The trap is designed for maintenance without disturbing the pipework, thanks to its screwed connection design and accessible internals.
Key Features
Available sizes: 1/2", 3/4", and 1". Connections: Screwed BSP (ISO 7-1) or NPT.
The FTGS14 is designed for PN16 conditions.
| Parameter | Value |
|---|---|
| Body design conditions | PN16 |
| PMA - Maximum allowable pressure | 16 bar g @ 120 °C |
| TMA - Maximum allowable temperature | 250 °C |
| PMO - Maximum operating pressure | 14.6 bar g |
| TMO - Maximum operating temperature | 250 °C @ 13.8 bar g |
| Minimum operating temperature | 0 °C |
| ΔPMX - Max. differential pressure | 4.5 bar (FTGS14-4.5), 10 bar (FTGS14-10), 14 bar (FTGS14-14) |

The construction features high-grade stainless steel for longevity in demanding environments.
| No. | Part | Material | Standard |
|---|---|---|---|
| 1 | Body | Austenitic stainless steel | EN 10213-4 (1.4308) ASTM A351 CF8 |
| 2 | Cover bolts | Steel | |
| 3 | Cover gasket | Reinforced exfoliated graphite | |
| 4 | Cover | Electroless nickel plated SG iron | DIN 1693 GGG 40 |
| 5 | Valve seat | Stainless steel | |
| 8 | Ball float and lever | Stainless steel | |
| 17 | Air vent assembly | Stainless steel |


The capacity charts show the condensate discharge rates for different differential pressures.

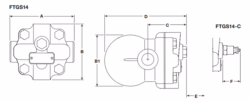
| Size | A (mm) | B (mm) | B1 (mm) | C (mm) | D (mm) | E (mm)* | F (mm) | Weight (kg) |
|---|---|---|---|---|---|---|---|---|
| 1/2" & 3/4" | 123 | 107 | 96 | 80 | 150 | 105 | 38 | 3.4 |
| 1" | 145 | 107 | 117 | 70 | 160 | 120 | 38 | 4.6 |

The FTGS14 must be installed with the direction of flow as indicated on the body. The arrow on the nameplate must point downwards to ensure the float arm rises and falls vertically.
Available spare parts include:

Example: 1 off Spirax Sarco 1/2" FTGS14-4.5 (L-R) ball float steam trap with screwed BSP connections and integral air vent.
Explore similar products in our catalog