

Spirax Sarco UTDS46M stainless steel thermodynamic steam trap for pipeline connectors, designed for low-capacity steam drainage up to 46 bar g, with an integral strainer, integral air vent, insulating cover, replaceable seat, and optional BDV2 blowdown valve retrofit.

The Spirax Sarco UTDS46M is a workshop-maintainable stainless steel thermodynamic steam trap for low-capacity drainage duties up to 46 bar g. The trap combines an integral strainer, integral air vent, insulating cover, and replaceable seat, and mounts to a suitable pipeline connector with two screws for fast installation and replacement.
Key Features
The product complies with the European Pressure Equipment Directive 2014/68/EU.
Certification to EN 10204 3.1 is available when all certification and inspection requirements are specified at the time of order.
UTDS46M is supplied for use with swivel pipeline connectors. The technical information sheet lists the following connector options:
| Connector | Description | Rating | Reference |
|---|---|---|---|
| PC10HP | Straight connector | ASME Class 600 | TI-P128-10 |
| PC3 | Straight connector with one piston isolation valve | ASME Class 600 | TI-P128-02 |
| PC4 | Straight connector with two piston isolation valves | ASME Class 600 | TI-P128-03 |
The final pressure and temperature limits of the assembled unit depend on the selected pipeline connector and end connection.

The grey shaded area on the chart indicates a region where the product must not be used. The lower shaded region indicates a zone where the product should not be used because internal damage may occur.
| Parameter | Metric | Imperial |
|---|---|---|
| Body design conditions | ASME Class 600 | ASME Class 600 |
| PMA Maximum allowable pressure | 99.3 bar g @ 38°C | 1,440 psig @ 100°F |
| TMA Maximum allowable temperature | 425°C @ 56 bar g | 797°F @ 812 psig |
| Minimum allowable temperature | -40°C | -40°F |
| PMO Maximum operating pressure | 46 bar g @ 425°C | 667 psig @ 797°F |
| TMO Maximum operating temperature | 425°C @ 46 bar g | 797°F @ 667 psig |
| Minimum operating pressure | 1.5 bar g | 22 psig |
| Minimum operating temperature | 0°C | 32°F |
| Note | For lower operating temperatures consult Spirax Sarco | - |
| PMOB Maximum operating backpressure | 80% of upstream pressure | 80% of upstream pressure |
| Maximum cold hydraulic test pressure | 149 bar g | 2,161 psig |

| No. | Part | Material | Standard |
|---|---|---|---|
| 1 | Body | Stainless steel | 1.4308 / ASTM A351 CF8 |
| 2 | Top cap | Stainless steel | 1.4301 / ASTM A479 304 |
| 3 | Insulating cover | Stainless steel | EN 10088-1 1.4301 |
| 4 | Disc | Hardened steel | 1.2379 |
| 5 | Seat | Hardened steel | 1.2379 |
| 6 | Bimetal ring | Bimetal | - |
| 7 | Support | Stainless steel | AISI 304 |
| 8 | Seat gasket | Graphite foil | - |
| 9 | Strainer screen | Stainless steel | ASTM A478 316L |
| 10 | Strainer cap gasket | Stainless steel | AISI 304 |
| 11 | Strainer cap | Stainless steel | 1.4308 / ASTM A351 CF8 |
| 12 | Flange | Steel - ELNP | ASTM A193 B7 |
| 13 | Screws | Steel | ASTM A193 B7 |
| 14 | Inner gasket | Graphite / stainless steel laminate | AISI 316 strip |
| 15 | Outer gasket | Graphite / stainless steel laminate | AISI 316 strip |
| 16 | Split ring | Stainless steel | ASTM A240 304 |
| 17 | Crescent ring | Carbon spring steel | - |

The capacity graph plots condensate discharge against differential pressure from 0.3 to 46 bar. Final sizing should be checked against actual operating differential pressure.

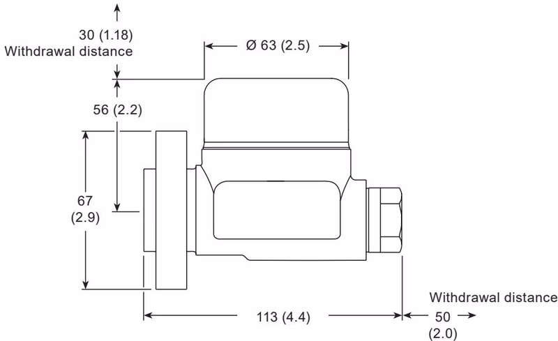
| Dimension | Value |
|---|---|
| Cover diameter | 63 mm (2.5 in) |
| Overall height | 67 mm (2.9 in) |
| Body height reference | 56 mm (2.2 in) |
| Overall length | 113 mm (4.4 in) |
| Top withdrawal distance | 30 mm (1.18 in) |
| Outlet withdrawal distance | 50 mm (2.0 in) |
| Approximate weight | 1.75 kg (3.86 lb) |
For full details, refer to Installation and Maintenance Instructions IM-P187-05.

The spare parts available are shown in solid outline. Parts shown in grey line are not supplied as spares.
| Available spares | Item No. |
|---|---|
| Insulating cover | 3 |
| Top cap, seat and disc assembly | 2, 4, 5, 6, 7, 8 |
| Strainer screen | 9, 10 |
| Set of gaskets (packet of 3 sets) | 8, 10 |
| Connector screws and gaskets | 13, 14, 15 |
| BDV2 blowdown valve retrofit kit | - |
| Item | Part | Size | Torque | Imperial |
|---|---|---|---|---|
| 2 | Top cap | 50 A/F | 400 N m | 295 lbf ft |
| 11 | Strainer cap | 24 A/F | 110 N m | 46.5 - 48.7 lbf ft |
| 13 | Connector screws | 9/16 in A/F | 33 N m | 19 lbf ft |
Always order spares by the description in the "Available spares" column and state the size and type of steam trap.
Example: 1 - Top cap, seat and disc assembly for a Spirax Sarco UTDS46M thermodynamic steam trap.
UTDS46M is supplied in two parts and both parts must be ordered separately:
Any optional extras, including the BDV2 integral blowdown valve retrofit, must be specified at the time of order placement.
1 off Spirax Sarco PC10HP swivel pipeline connector with socket weld connections.
1 off Spirax Sarco UTDS46M thermodynamic steam trap fitted with a BDV2 integral blowdown valve, supplied complete with connector screws and gaskets.