

斯派莎克 Spirax Sarco BPC32 和 BPC32Y 碳钢材质可维修型压力平衡式热静力蒸汽疏水阀。BPC32内置平面型过滤网,BPC32Y内置Y型过滤网,均不受水击影响。

BPC32和BPC32Y可维修型压力平衡式蒸汽疏水阀,碳钢材质,直线连接。BPC32内置平面型过滤网,BPC32Y内置Y型过滤网。
所有承压部件由具有TÜV认证的供应商提供,其生产过程符合AD-Merkblatt WO/TRD100标准。
两类疏水阀都不受水击影响,具体选项如下表:
注:订购时,请注明液囊类型。
该产品完全符合欧洲压力设备指令97/23/EC。 本产品可提供材质证书EN 10204 3.1。 注:如需证书请在订购时注明。


| 序号 | 部件 | 材质 | 标准 |
|---|---|---|---|
| 1 | 阀帽 | 碳钢 | DIN 17243 C22.8 (W/S 1.0460) / ASTM A105N |
| 2 | 液囊 | 不锈钢 | - |
| 3 | 阀座 | 不锈钢 | BS 970 431 S29 |
| 5 | 过滤网 | 不锈钢 | AISI 304 |
| 7 | 阀帽垫片 | 不锈钢加强型片状石墨 | - |
| 8 | 阀体 | 碳钢 | DIN 17243 C22.8 (W/S 1.0460) / ASTM A105N |
| 9 | 阀帽螺栓 | 不锈钢 (M10×30) | A2-70 |
| 10 | 过滤器盖 | 碳钢 | DIN 17243 C22.8 (W/S 1.0460) / ASTM A105N |
| 11 | 过滤器盖垫片 | 不锈钢 | BS 1449 304 S16 |
| 17 | 弹簧 | 不锈钢 | - |
| 18 | 隔板 | 不锈钢 | - |

本产品不能用于阴影区域,否则可能会损坏其内部件。
| 参数 | 值 |
|---|---|
| 阀体设计条件 | PN40 |
| PMA 最大允许压力 | 50 bar g @ 50°C |
| TMA 最高允许温度 | 400°C @ 35 bar g |
| 最低允许温度 | -60°C |
| PMO 饱和蒸汽下最大工作压力 | 32 bar g @ 281°C |
| TMO 最大工作温度 | 281°C @ 32 bar g |
| 最低工作温度 | 0°C |
| 设计最大冷态水压试验压力 | 75 bar g |
注:更低温度请咨询斯派莎克。BPC32 和 BPC32Y 的螺纹、承插焊、对接焊及法兰连接型号经验证可在全真空条件下安全使用。其他管道连接的真空适用性请咨询斯派莎克。

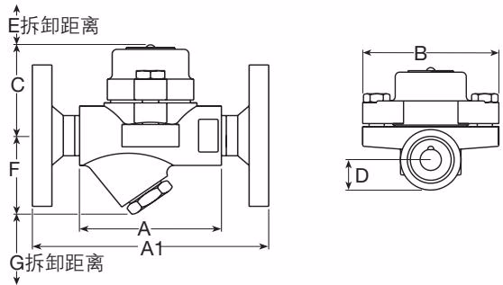
| 口径 | A | A1 | B | C | D | E | 重量 (螺纹/焊接) | 重量 (法兰) |
|---|---|---|---|---|---|---|---|---|
| 1/2" DN15 | 95 | 150 | 94 | 64 | 17 | 37 | 1.4 kg | 2.9 kg |
| 3/4" DN20 | 95 | 150 | 94 | 64 | 19 | 37 | 1.4 kg | 3.5 kg |
| 1" DN25 | 95 | 160 | 94 | 64 | 23 | 37 | 1.5 kg | 4.1 kg |
| 口径 | A | A1 | B | C | E | F | G | 重量 (螺纹/焊接) | 重量 (法兰) |
|---|---|---|---|---|---|---|---|---|---|
| 1/2" DN15 | 95 | 150 | 94 | 64 | 37 | 53 | 28 | 1.6 kg | 3.1 kg |
| 3/4" DN20 | 95 | 150 | 94 | 64 | 37 | 54 | 28 | 1.6 kg | 3.7 kg |
| 1" DN25 | 95 | 160 | 94 | 64 | 37 | 56 | 28 | 1.8 kg | 4.4 kg |

详见随产品提供的安装维修指南(IM-P005-02)。
BPC32和BPC32Y可安装于任何位置,水平或垂直。 当冷凝水排放到具有背压的冷凝水回收管线时,建议在疏水阀后安装止回阀。 当冷凝水排向大气环境时,建议安装消音器。 为了便于维护,建议在疏水阀上、下游安装截止阀。
本产品可再循环利用,处理得当不会产生环境危害。
例:1-斯派莎克 1/2" BPC32Y 碳钢阀体可维修型压力平衡式蒸汽疏水阀,螺纹连接 BSP,带 Y 型过滤网 STD 型液囊,约低于饱和温度 12°C 时工作。
图中可供备件以实线显示,虚线部分不作为备件提供。
可供备件:
注:9和10不作为备件提供。
| 序号 | 部件 | 尺寸 (A/F) | 螺纹 | Nm |
|---|---|---|---|---|
| 3 | 阀座 | 24 A/F | 115-125 | |
| 9 | 阀帽螺栓 | 17 A/F | M10 × 30 | 23-27 |
| 10 | 过滤器盖 | 27 A/F | 120-135 |
按上述说明订购备件,并注明疏水阀型号,口径和液囊型号。 例:1-液囊及阀座组件,用于 DN25 BPC32蒸汽疏水阀。'STD' 型液囊,约低于饱和温度 12°C 时排放冷凝水。