

Spirax Sarco Single and Double Window Sight Glasses, threaded connection design, available in bronze and brass materials, compliant with European Pressure Equipment Directive 97/23/EC. Multiple size options, windows made of toughened soda lime glass, gaskets of reinforced graphite sheet, suitable for steam and other media applications, reliable pressure and temperature capability, EN 10204 2.2 certificate available (specify when ordering).


Spirax Sarco Single and Double Window Sight Glasses are threaded connection sight devices, available in brass and bronze body materials depending on size, suitable for industrial applications requiring visual observation of media conditions. Products comply with European Pressure Equipment Directive 97/23/EC, EN 10204 2.2 certificate available upon request (must be specified when ordering), ensuring product quality and compliance.

| Parameter | Value |
|---|---|
| Body Design Conditions | PN5 |
| Max. Allowable Pressure (PMA) | 5 bar g @ 90°C |
| Max. Allowable Temperature (TMA) | 148°C @ 3.5 bar g |
| Min. Allowable Temperature | -29°C |
| Max. Working Pressure on Saturated Steam (PMO) | 3.5 bar g |
| Max. Working Temperature (TMO) | 148°C |
| Min. Working Temperature | 0°C |
| Design Max. Cold Hydraulic Test Pressure | 7 bar g |
| Max. Test Pressure (Steam, PTMX) | 3.5 bar g |
Note
Minimum working temperature is 0°C, consult Spirax Sarco below this temperature.

| No. | Part | Size Range | Material | Standard |
|---|---|---|---|---|
| 1 | Body | ½" - 1" | Brass | EN 12165 CW617N |
| 1 | Body | 1¼" - 2" | Bronze | BS EN CC491K |
| 2 | Window Frame | All sizes | Brass | EN 12165 CW617N |
| 3 | Window | All sizes | Toughened Soda Lime Glass | BS 3463 |
| 4 | Top Gasket | All sizes | Reinforced Graphite Sheet | - |
| 5 | Bottom Gasket | All sizes | Reinforced Graphite Sheet | - |

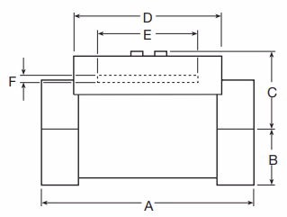
| Size | A | B | C | D | E | F | Weight |
|---|---|---|---|---|---|---|---|
| 3/8" | 89 | 16 | 32 | 64 | 50 | 4.8 | 0.6 kg |
| ½" | 89 | 16 | 32 | 64 | 50 | 4.8 | 0.6 kg |
| ¾" | 89 | 19 | 35 | 64 | 50 | 4.8 | 0.7 kg |
| 1" | 87.5 | 24 | 38 | 64 | 50 | 4.8 | 0.9 kg |

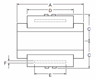
| Size | A | C | D | E | F | Weight |
|---|---|---|---|---|---|---|
| ½" | 89 | 32 | 64 | 50 | 4.8 | 0.9 kg |
| ¾" | 89 | 32 | 64 | 50 | 4.8 | 0.9 kg |
| 1" | 89 | 35 | 64 | 50 | 4.8 | 1.2 kg |
| 1¼" | 108 | 51 | 73 | 50 | 4.8 | 1.9 kg |
| 1½" | 108 | 51 | 73 | 50 | 4.8 | 1.8 kg |
| 2" | 114 | 57 | 76 | 50 | 4.8 | 2.5 kg |
Note
Dimensions in mm, weights are approximate values.
Warning
| No. | Part | Tightening Torque (N·m) |
|---|---|---|
| 2 | Window Frame | 60 - 65 |


| Spare Part Name | Part No. |
|---|---|
| Window and Gaskets | 3, 4, 5 |
| Gasket Set | 4, 5 |
This product can be recycled. Proper disposal will not cause adverse environmental impact. Disposal should comply with local environmental regulations.
Explore similar products in our catalog